手机版
二维码
购物车
(
0
)
商城
供应
求购
公司
团购
行情
展会
资讯
招商
品牌
人才
知道
专题
图库
视频
下载
商圈
推广
热搜:
大
价格
首页
商城
供应
求购
公司
团购
行情
展会
资讯
招商
品牌
人才
知道
专题
图库
视频
下载
商圈
首页
>
求购
>
求购默认分类
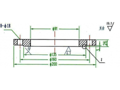
求购:法兰盘(不锈钢锻造加工)
点击图片查看原图
需求数量:
价格要求:
包装要求:
所在地:
安徽合肥市
有效期至:
长期有效
最后更新:
2013-01-11 10:11
浏览次数:
2039
公司基本资料信息
您还没有登录,请登录后查看详情
详细说明
求购
:法兰盘(不锈钢锻造加工)
,订单量
3.6万个,材料:316L(不锈钢),规格:按图纸要求定制,价格:工厂根据订单要求及市场行情结合本企业生产、管理条件自报合理价并报样,订单货期:180 -150天,派员(QC)跟单,每30-45天交一次货,出货地:工厂所在地就近中国外运港口,合作关系确立后可预付总价款的(20%-30%定金给工厂,先款后货,生产厂地验收、现汇结算、余款出货前付清。有合作意向的工厂需了解主要规格、型号及技术参数供报价参考.
更多
>
同类求购
SP系列水槽式电动四头
BR系列不锈钢板式换热
紫外线杀菌机,紫外线
GT7C 型系列卧式杀菌
超高温瞬时灭菌机,瞬
高低温交变试验箱报价
学习砂锅米线技术,鸡
济南牛肉板面技术培训
0
条
相关评论
网站首页
|
关于我们
|
联系方式
|
使用协议
|
版权隐私
|
网站地图
|
排名推广
|
广告服务
|
积分换礼
|
网站留言
|
RSS订阅
|
违规举报
|
粤ICP备12131420号
CopyRight © 2012 - 2020 Stone Age Studio All Rights Reserved
Powered By Heck